
產品名稱:小型不銹鋼振動篩 價格:2400-4000元
產品型號:DH-400-1S
小型不銹鋼振動篩為400mm直徑小型振動篩,整機為304不銹鋼材質,干凈衛生,適用于空間有限或小規模篩分的場合,如實驗室、小型生產線等。
網孔尺寸:400目或0.028mm 產量:100公斤/時
材質:304不銹鋼或316L不銹鋼
應用:面粉、淀粉、中藥粉、果汁、豆漿、大米、中藥粉、小麥等小產量,衛生要求高的物料篩分
咨詢報價銷售熱線:0373-268 2333
小型不銹鋼振動篩篩選干茶葉
小型不銹鋼振動篩是一種尺寸較小、結構緊湊的小型振動篩料機,篩面直徑400mm,每小時處理量可達100公斤,適用于小規模生產線,如小型加工廠或試生產線,用于對物料進行初步的篩分和分離,具有較小的外形尺寸和輕便的結構,適合在有限空間或需要移動的場合使用。



小型不銹鋼振動篩由304或316L不銹鋼拋光制成,焊縫處無焊縫,易于清潔,確保沒有材料沉積并避免污染篩分產品,所有橡膠制件均為硅膠材質,適用于面粉、飼料、藥粉、塑料顆粒等要求潔凈度和酸性的干濕物料的篩分過濾。
| 型號 Model |
功率 (kw) |
篩分直徑 (m/m) |
入料粒度 (mm) |
電壓 (v) |
轉速 (r/min) |
處理量 (kg/h) |
| DH-400 | 0.18 | 350 | <10 | 380 | 1440 | 100 |
篩選硅石粉
篩分甘草片

小型不銹鋼振動篩可用于篩分面粉、原料藥、果汁、豆漿、大米、中藥粉、小麥、芝麻、咖啡、香料、中藥片劑、膠囊劑等干粉或顆粒狀產品以及濕產品和液體,它可以通過連續過濾去除產品中的異物,可用于制藥、化工、食品、金屬粉末等行業。
1、去除雜質:通常是1層篩網,通常通過篩網的精細產品會被保留為優質產品,也可用于去除破損或尺寸過小的產品。在大多數生產環境中,要么是流程中防止污染,要么是包裝機之前進行質量檢查。
2、分級:從產品中分離出不同大小的顆粒,從而使最終物料被分類為不同的大小。由于粒度非常接近孔徑,分級篩的吞吐量通常比垃圾篩慢得多,然而,這可以通過更大的篩網面積或微調電機重量設置來補償。
3、固液分離:能快速去除各種漿料中的不溶物。每小時可過濾100立方米,適用于陶瓷釉料、顏料、豆漿、果汁等液體的過濾。
小型不銹鋼振動篩采用立式振動電機為激振源,根據不同的篩分要求,物料通過1-5層不同目數的篩網,在這個過程中,位于各層篩網下方的清潔裝置不斷地撞擊篩網,有效避免物料堵塞問題,不同目數的物料通過各層相應目數的篩網或通過各層設置的出口排出,實現篩選或過濾的目的。調整電機上下端的相位角可以改變物料在篩面上的運動軌跡。


1、尺寸小巧:尺寸相對較小,體積緊湊,重量輕,便于搬運和安裝,它適用于空間有限的場所,如實驗室、小型生產線等。
2、小批量篩選:篩機直徑為400mm,小產量用戶,每小時處理量可達100公斤。
3、干凈衛生、易于清洗:采用304/316L不銹鋼材質制成,不易生銹,干凈衛生。符合食品,醫藥行業衛生。
4、篩分精細:可去除過大和污染物以提高您的產品質量,可篩分500目或0.028mm粉粒,也可過濾5微米以內的漿液。
5、篩網易更換:篩網通常采用鋼絲網或合成纖維網,用戶可以根據需要選擇不同規格和孔徑的篩網,以滿足不同粒度的物料篩分要求。

小型不銹鋼振動篩是一種常見的振動篩設備,它采用旋轉振動方式進行物料篩分。其結構主要包括以下幾個部分:
篩箱:篩箱是旋振篩的主體部分,通常為圓筒形狀。它由上蓋、下底座和側板組成。篩箱內設置有篩網(也稱為篩片),用于篩分物料。
振動電機:安裝在篩箱的下底座上,通過固定座將振動力傳遞給篩箱,使其產生旋轉振動。
篩網:通常由金屬絲網或合成纖維網等材料制成,具有不同的孔徑和網眼尺寸,根據物料篩分要求選擇合適的篩網規格。
篩框:篩框是篩網的支撐結構,通常由金屬材料制成。它提供了篩網安裝的支撐平臺,并保持篩網的穩定性和緊固。
進料口:上方設置有進料口,用于將待篩分的物料投入篩箱內。進料口通常具有導流裝置,以確保物料均勻分布在篩網上。
出料口:用于排出已篩分的物料。出料口通常設有擋板或導流裝置,以控制物料的流動方向和速度。
出料口擋板:出料口擋板或導流裝置用于控制已篩分物料的流動方向和速度,以便將物料導向所需的出料路徑。

| 材料 | 網孔尺寸 | 產能
|
| 中藥粉 | 100-300 | 400-600 |
| 面粉 | 20-80 | 1000 |
| 可可粉 | 300 | 700 |
| 研磨咖啡 | 20-80 | 400-800 |
| 蜂蜜 | 80 | 200 |

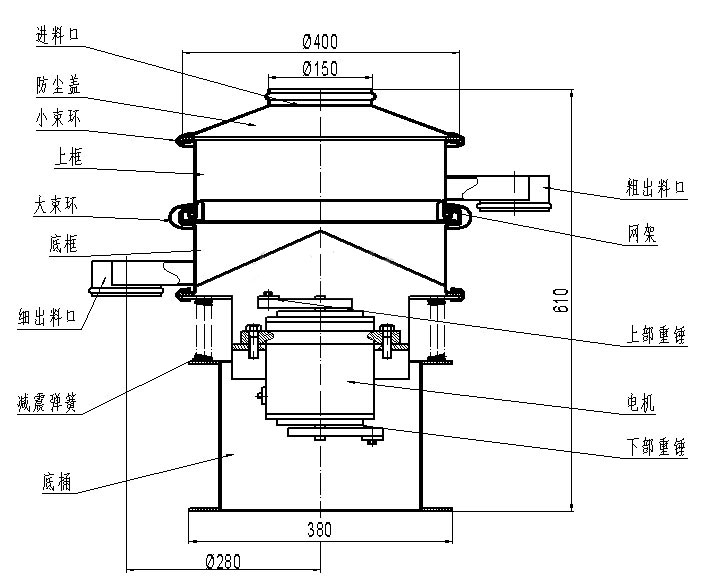
| 型號 | A | B | C | D | E | F | G | H | I |
| DH-400-1S | 380 | 280 | 150 | 400 | 100 | 70 | 280 | 715 | 350 |

小型振動篩的處理能力相對較小,適用于小批量物料的篩分和分離。
1、實驗室和研發:用于實驗室和研發領域,用于對小批量物料進行篩分和分級。它可以用于評估物料的顆粒特性、分布和篩分效果,為后續工藝和產品開發提供數據支持。
2、食品加工:可以用于糧食加工中的谷物篩分、食品原料的分級、粉末狀食品的篩分等。小型振動篩可以幫助提高食品的質量和安全性,滿足不同顆粒大小的要求。
3、化工工業:用于化工原料的篩分、顆粒狀產品的分級、粉末的篩分等。小型振動篩可以幫助提高化工產品的質量和均勻度,并滿足特定的顆粒要求。
4、制藥行業:可以用于檢測醫藥顆粒中的顆粒大小和顆粒分布,確保醫藥的質量和一致性。
大漢小型振動篩廠家提供小型振動篩分機(小型不銹鋼旋振篩),不銹鋼振動篩,小型不銹鋼超聲波振動篩,小型不銹鋼單層振動篩,小型不銹鋼多層振動篩,小型不銹鋼振動篩粉機,小型不銹鋼圓振動篩,小型糧食振動篩等產品,型號全,價格低至3000元起,材質有碳鋼,不銹鋼,塑料三種,層級1-5層,適合500目內的粉末,顆粒,液體物料,是小產量用戶專用設備。
